MAX485ESA+T_MAX485ESA+T接口芯片_MAX485ESA中文资料
文章出处:
人气:发表时间:2023-10-19 09:36
MAX485ESA+T,MAX485ESA+T数据表,MAX485ESA+T数据页,MAX485ESA+T原理图,MAX485ESA+T引脚,MAX485ESA+T规格书,MAX485ESA+T系列型号。
MAX485ESA+T | MAX485ESA+T供应商 | MAX485ESA+T现货商 | MAX485ESA+T代理商 | 美信代理商 | Maxim代理商-Maxim美信官网授权天元鑫为MAX485ESA+T美信代理商 | Maxim代理商
MAX485ESA+T 描述
MAX481、MAX483、MAX485、MAX487-MAX491 和MAX1487 是用于 RS-485 和 RS422 通信的低功耗收发器。每个器件包含一个驱动器和一个接收器。MAX483、MAX487、MAX488 和 MAX489 具有降低压摆率的驱动器,可最大限度地降低 EMI,减少因端接电缆不当而引起的反射,从而实现高达 250kbps 的无差错数据传输。 MAX481、MAX485、MAX490、MAX491 和 MAX1487 的驱动器压摆率不受限制,因此传输速率最高可达 2.5Mbps。这些收发器在空载或满载禁用驱动器时的供电电流在 120µA 至 500µA 之间。此外,MAX481、MAX483 和 MAX487 还具有低电流关断模式,在该模式下,它们的功耗仅为 0.1µA。所有器件均采用 5V 单电源供电。驱动器具有短路电流限制,并通过热关断电路防止功率耗散过大,该电路可将驱动器输出置于高阻抗状态。MAX487 和 MAX1487 具有四分之一单位负载的接收器输入阻抗,因此总线上最多可连接 128 个 MAX487/MAX1487 收发器。使用 MAX488-MAX491 可实现全双工通信,而 MAX481、MAX483、MAX485、MAX487 和 MAX1487 则专为半双工应用而设计。
Maxim代理商|美信代理商 Maxim半导体公司成立于1983年,总部位于美国加利福尼亚的Sunnyvale,拥有75000多名员工,Maxim是模拟和混合信号集成产品设计、开发和生产领域的领导者之一。Maxim的电路将现实世界与数字世界“连接”在一起,通过检测和放大现实世界中的各种信号,如温度、压力和声音,并将其转换为计算机处理所需的数字信号。
Maxim代理依靠其独特的晶圆技术和顶级的工程研发团队,为快速增长的市场提供创新的解决方案。这种商业运作模式使其始终保持两位数的销售增长率。截至2007年6月30日,该公司的净收入为20.07亿美元。在财富1000强企业中,Maxim的利润(收入百分点)位居半导体公司之首(2006年4月17日,《财富》杂志)。2006年3月17日,Maxim的市场价值在全球半导体公司中排名第九。
MAX485ESA+T 特性
♦ 用于容错应用MAX3430:±80V 故障保护、故障安全、1/4 单位负载、+3.3V、RS-485 收发器MAX3440E-MAX3444E:±15kV ESD 保护、±60V 故障保护、10Mbps、故障安全、RS-485/J1708 收发器
♦ 用于空间受限的应用MAX3460-MAX3464: +5V、故障安全、20Mbps、Profibus RS-485/RS-422 收发器MAX3362: +3.3V、高速、SOT23 封装的 RS-485/RS-422 收发器MAX3280E-MAX3284E:±15kV ESD 保护、52Mbps、+3V 至 +5.5V、SOT23、RS-485/RS-422、真正的故障安全接收器MAX3293/MAX3294/MAX3295:20Mbps、+3.3V、SOT23、RS-485/RS-422 发射器
♦ 用于多个收发器应用MAX3030E-MAX3033E:±15kV ESD 保护、+3.3V、四路 RS-422 发射器
♦ 用于故障安全应用MAX3080-MAX3089: 故障安全、高速(10Mbps)、瞬时速率受限 RS-485/RS-422 收发器
♦ 用于低压应用MAX3483E/MAX3485E/MAX3486E/MAX3488E/MAX3490E/MAX3491E:+3.3V 供电、±15kVESD 保护、12Mbps、回转速率受限、真正的 RS-485/RS-422 收发器
MAX485ESA+T 应用
♦ 低功耗 RS-485 收发器
♦ 低功耗 RS-422 收发器电平转换器
♦ 用于 EMI 敏感型应用的收发器
♦ 工业控制局域网
MAX485ESA+T 引脚配置(俯视图)

MAX485ESA+T Order Information

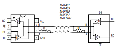
MAX485ESA+T Function block or application schematic
|
|||||||||||||||||||||||||||||||||||||||||||||||||||||||||||||||||||||||||||||||||||||||||||||||||||||||||||||||
为什么采购MAX485ESA+T选择择天元鑫作为你的美信代理商 | Maxim代理商的六大理由
1、Maxim美信全系列MAX485ESA+T采购服务:为您节约时间和精力,帮助您提高工作效率。
2、专业MAX485ESA+T Maxim美信FAE技术团队支持:凭借5年的服务经验,我们能为您提供从售前咨询,售中采购,售后一站式的专业的周到的贴心的服务。
3、极具竞争力的MAX485ESA+T采购价格:我们认为合理的定价是与您建立长期合作的基础,以及公司持续发展的保障
4、数万种Maxim美信全系列原装MAX485ESA+T现货库存:我们持续创新,以满足您不断变化的需求,天元鑫的可持续发展,是您企业不断发展壮大的强大支持。
5、24小时Maxim美信在线实时回复:确保为您提供MAX485ESA+T高效率,高性价比,高质量的服务。
6、灵活多变的MAX485ESA+T财务制度: 支持客户,协同发展,才能走得更远。
未来,天元鑫希望能跟客户开展Maxim美信全系列MAX485ESA+T更紧密的合作,同时竭尽所能地提供Maxim美信全系列MAX485ESA+T上面最前沿的电子元器件信息与产品,让客户在未来的市场竞争中领先一步、稳操胜卷。
MAX485ESA+T | MAX485ESA+T供应商 | MAX485ESA+T现货商 | MAX485ESA+T代理商 | 美信代理商 | Maxim代理商-Maxim美信官网授权天元鑫为MAX485ESA+T美信代理商 | Maxim代理商
如需立即采购MAX485ESA+T,请直接联系:
深圳市天元鑫半导体有限公司
手机号:+86 15013767173 Email:sztychip@163.com
联系人:吕小姐 Whats APP:15013767173 (cell phone wechat same number)
Q Q:3548883566 Skype:sztychip@163.com
此文关键字:MAX485ESA+T
同类文章排行
- MAX485CSA+T_MAX485CSA+T接口芯片_MAX485CSA+T中文资料
- MAX485ESA+T_MAX485ESA+T接口芯片_MAX485ESA中文资料
- MAX487ESA+T_MAX487ESA+T接口芯片_MAX487ESA+T中文资料
- MAX490ESA+T_MAX490ESA+T接口芯片_MAX490ESA+T中文资料
- MAX660ESA+T_MAX660ESA+T接口芯片_MAX660ESA+T中文资料
- MAX485EESA+T_MAX485EESA+T接口芯片_MAX485EESA+T规格书
- MAX232CSE+T_MAX232CSE+T接口芯片_MAX232CSE+T中文资料
- MAX44248ASA+T_MAX44248ASA运算放大器_MAX44248中文资料
- MAX98357AETE+T_MAX98357AETE音频放大器_MAX98357中文资料
- MAX31865ATP+T_MAX31865ATP温度传感器_MAX31865中文资料




