MAX14783EESA+T_MAX14783EESA+T收发器_MAX14783EESA+T中文资料
文章出处:
人气:发表时间:2023-10-19 08:57
MAX14783EESA+T,MAX14783EESA+T数据表,MAX14783EESA+T数据页,MAX14783EESA+T原理图,MAX14783EESA+T引脚,MAX14783EESA+T规格书,MAX14783EESA+T系列型号。
MAX14783EESA+T | MAX14783EESA+T供应商 | MAX14783EESA+T现货商 | MAX14783EESA+T代理商 | 美信代理商 | Maxim代理商-Maxim美信官网授权天元鑫为MAX14783EESA+T美信代理商 | Maxim代理商
MAX14783EESA+T 描述
MAX14783E 是一款半双工 RS-485/422 收发器,工作电压为 3.3V 或 5V 轨,具有高 ±35kVESD 性能和高达 42Mbps 的数据传输速率。MAX14783E 采用 8 引脚 µMAX®、8 引脚 SO 和 8 引脚 TDFN-EP 封装。采用 TDFN-EP 封装的器件工作温度范围为 -40°C 至 +125°C。采用 μMAX 和 SO 封装的 MAX14783E 工作温度范围分别为 -40°C 至 +85°C 和 -40°C 至 +125°C。

Maxim代理商|美信代理商 Maxim半导体公司成立于1983年,总部位于美国加利福尼亚的Sunnyvale,拥有75000多名员工,Maxim是模拟和混合信号集成产品设计、开发和生产领域的领导者之一。Maxim的电路将现实世界与数字世界“连接”在一起,通过检测和放大现实世界中的各种信号,如温度、压力和声音,并将其转换为计算机处理所需的数字信号。
Maxim代理依靠其独特的晶圆技术和顶级的工程研发团队,为快速增长的市场提供创新的解决方案。这种商业运作模式使其始终保持两位数的销售增长率。截至2007年6月30日,该公司的净收入为20.07亿美元。在财富1000强企业中,Maxim的利润(收入百分点)位居半导体公司之首(2006年4月17日,《财富》杂志)。2006年3月17日,Maxim的市场价值在全球半导体公司中排名第九。
MAX14783EESA+T 特性
● 集成保护功能增强了稳健性
- 高 ESD 保护±35kV HBM ESD(符合 JEDEC JS-001-2012 标准)±20kV Air Gap(符合 IEC 61000-4-2 标准)±12kV ● Contact ESD(符合 IEC 61000-4-2 标准
- 短路保护输出
- 真正的故障安全接收器可防止接收器输入短路或开路事件的错误过渡
- 热插拔功能可消除上电或热插入时的错误转换
● 3V 至 5.5V 电源电压范围
● 高速数据速率高达 42Mbps
● 工作温度为 -40°C 至 +125°C
● 总线上最多可连接 32 个收发器
● 关机电流低至 10µA(最大值),功耗更低
MAX14783EESA+T 应用
● 运动控制器
● 现场总线网络
● 编码器接口
● 背板总线
MAX14783EESA+T 引脚配置(俯视图)

MAX14783EESA+T Order Information

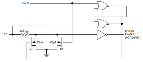
MAX14783EESA+T Function block or application schematic

| MAX14783EESA+T Maxim美信热卖型号列表 | |||
| MAX13487EESA+T | MAX3490ESA+T | MAX3232EEUE+T | ADR421ARZ-REEL7 |
| MAX232ESE+T | MAX31855KASA+T | AD620ARZ-REEL7 | MAX3471EUA+T |
| ADUM1201ARZ-RL7 | ADUM1201BRZ-RL7 | DS1307ZN+T&R | ADUM4160BRWZ-RL |
| MAX485ESA+T | LTM4644IY#PBF | MAX487ESA+T | AD8310ARMZ-REEL7 |
| MAX3232ESE+T | AD8605ARTZ-REEL7 | LM4040AIM3-3.0+T | ADN8834ACPZ-R7 |
| MAX6675ISA+T | MAX485EESA+T | ADR3425ARJZ-R7 | MAX9814ETD+T |
| AD7606BSTZ | MAX811TEUS+T | ADUM3160BRWZ-RL | AD5328BRUZ-REEL7 |
| DS3231MZ+TRL | ADUM1250ARZ-RL7 | MAX706SESA+T | OP2177ARZ-REEL7 |
| ADM2483BRWZ-REEL | MAX485CSA+T | DS1307Z+T&R | AD623ARZ-R7 |
| DS1302Z+T&R | MAX3490EESA+T | ADP151AUJZ-3.3-R7 | MAX13487EESA+T |
| MAX3485EESA+T | ADP150AUJZ-3.3-R7 | ADP7118AUJZ-5.0-R7 | AD8628ARTZ-REEL7 |
| MAX3485ESA+T | AD8066ARZ-R7 | MAX809SEUR+T | OP2177ARZ |
| ADM2587EBRWZ-REEL7 | AD620ARZ-REEL | MAX811SEUS+T | MAX706TESA+T |
| MAX3232CSE+T | ADA4522-2ARZ-R7 | MAX3232EUE+T | ADP7118AUJZ-R7 |
| AD623ARZ-R7 | DS1302ZN+T&R | MAX490ESA+T | LT3045EDD#PBF |
| MAX31865ATP+T | ADuM1200ARZ-RL7 | LT3042EMSE#TRPBF | AD7793BRUZ-REE |
| MAX98357AETE+T | ADM2582EBRWZ-REEL7 | DS1339U-33+T&R | ADM3485EARZ-REEL7 |
| DS18B20+ | ADR4525BRZ-R7 | MAX13085EESA+T | MAX232CSE+T |
| DS3231SN#T&R | ADM3053BRWZ-REEL7 | ADP7182AUJZ-R7 | ICL7662EBA+T |
| MAX44248ASA+T | AD9833BRMZ-REEL7 | AD7689BCPZRL7 | MAX660ESA+T |
| ADXL345BCCZ-RL7 | AD620ARZ | MAX13488EESA+T | LT3045EDD#TRPBF |
| AD7190BRUZ-REEL | ADM2483BRWZ | AD7124-8BCPZ | OP27GSZ |
| ADM3251EARWZ-REEL | AD8605ARTZ-REEL | MAX14783EESA+T | AD7616BSTZ |
| MAX17048G+T10 | AD8221ARZ-R7 | MAX823REUK+T | AD8065ARTZ-REEL7 |
| MAX3051EKA+T | MAX3232EEAE+T | MAX44246ASA+T | More models |
为什么采购MAX14783EESA+T选择择天元鑫作为你的美信代理商 | Maxim代理商的六大理由
1、Maxim美信全系列MAX14783EESA+T采购服务:为您节约时间和精力,帮助您提高工作效率。
2、专业MAX14783EESA+T Maxim美信FAE技术团队支持:凭借5年的服务经验,我们能为您提供从售前咨询,售中采购,售后一站式的专业的周到的贴心的服务。
3、极具竞争力的MAX14783EESA+T采购价格:我们认为合理的定价是与您建立长期合作的基础,以及公司持续发展的保障
4、数万种Maxim美信全系列原装MAX14783EESA+T现货库存:我们持续创新,以满足您不断变化的需求,天元鑫的可持续发展,是您企业不断发展壮大的强大支持。
5、24小时Maxim美信在线实时回复:确保为您提供MAX14783EESA+T高效率,高性价比,高质量的服务。
6、灵活多变的MAX14783EESA+T财务制度: 支持客户,协同发展,才能走得更远。
未来,天元鑫希望能跟客户开展Maxim美信全系列MAX14783EESA+T更紧密的合作,同时竭尽所能地提供Maxim美信全系列MAX14783EESA+T上面最前沿的电子元器件信息与产品,让客户在未来的市场竞争中领先一步、稳操胜卷。
MAX14783EESA+T | MAX14783EESA+T供应商 | MAX14783EESA+T现货商 | MAX14783EESA+T代理商 | 美信代理商 | Maxim代理商-Maxim美信官网授权天元鑫为MAX14783EESA+T美信代理商 | Maxim代理商
如需立即采购MAX14783EESA+T,请直接联系:
深圳市天元鑫半导体有限公司
手机号:+86 15013767173 Email:sztychip@163.com
联系人:吕小姐 Whats APP:15013767173 (cell phone wechat same number)
Q Q:3548883566 Skype:sztychip@163.com
此文关键字:MAX14783EESA+T
同类文章排行
- MAX13487EESA+T_MAX13487EESA+T收发器_MAX13487EESA+T中文资料
- MAX13085EESA+T_MAX13085EESA+T收发器_MAX13085EESA+T中文资料
- MAX9814ETD+T_MAX9814ETD+T音频放大器_MAX9814ETD+T中文资料
- MAX6675ISA+T_MAX6675ISA+T传感器接口_MAX6675ISA中文资料
- MAX31855KASA+T_MAX31855KASA温度传感器_MAX31855中文资料
- MAX17048G+T10_MAX17048G电池管理芯片_MAX17048中文资料
- MAX44246ASA+T_MAX44246ASA双运算放大器_MAX44246中文资料
- MAX31865ATP+T_MAX31865ATP温度传感器_MAX31865中文资料
- MAX44248ASA+T_MAX44248ASA运算放大器_MAX44248中文资料
- MAX98357AETE+T_MAX98357AETE音频放大器_MAX98357中文资料




