HT7033A-1_HT7033A-1三端稳压芯片_HT7033A-1中文资料
文章出处:
人气:发表时间:2023-10-17 08:51
HT7033A-1,HT7033A-1数据表,HT7033A-1数据页,HT7033A-1原理图,HT7033A-1引脚,HT7033A-1规格书,HT7033A-1系列型号。
HT7033A-1 | HT7033A-1供应商 | HT7033A-1现货商 | HT7033A-1代理商 | 合泰代理商 | Holtek代理商-3PEAK官网授权天元鑫为HT7033A-1合泰代理商 | Holtek代理商
HT7033A-1 描述
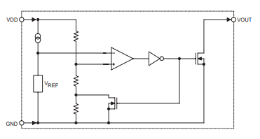
HT7033A-1 系列是采用 CMOS 技术的三端低功耗电压检测器。该系列电压检测器可检测 2.2 V 至 5.0 V 的固定电压。该电压检测器系列由一个高精度、低功耗标准电压源、一个比较器、一个磁滞电路和一个输出驱动器组成。采用 CMOS 技术制造,确保了低功耗。虽然这些集成电路主要用作固定电压检测器,但也可与外部元件配合使用,以检测指定的阈值电压。

合泰代理商|Holtek代理商 Holtek合泰半导体公司于2002年成立,属于盛群半导体材料(中国台湾),是Holtek合泰半导体公司的全资子公司,拥有自主研发和设计的精英团队,融硬件软件于一体,秉承艰苦奋斗精神,以高效率的方式为客人提供最佳的电力能源解决方案,立于客户角度,与行业市场对接,不断提升商品,提高商品的安全系数和顾客体验,努力为客人提供一种物美价廉的产品。
Holtek合泰半导体公司的市场营销战略始终是“单一模块(MCU)和单一模块(MCU)”这一发展趋势的关键,Holtek合泰产品类别包括通用型微处理器和专用微处理器(MCU),包括触摸屏、健康检测、工业自动化/仪表、电子计算机的外接、主要应用于家电、汽车、安全防护、以及各种电池管理、LCD/LED驱动/操纵、RF通讯综合ic和各种外部元件,如各种感应器,Holtek合泰公司根据自己开发的整体实力,操纵产品接受订制,可以按照客户要求实现定制化开发设计。时间周期可以给客户更有力的一套解决方案,给客户多方位的服务项目,为消费者创造更美好的明天!
HT7033A-1 功能
- 低功耗
- 温度系数低
- 高输入电压范围(高达 30V)
- 静态电流:3µA
- 输出电压精度:±3% - 内置磁滞电路 - 封装类型
- 内置磁滞电路
- 封装类型 TO92、SOT89、SOT23 和 SOT23-5
HT7033A-1 应用
- 电池检测器
- 电平选择器
- 电源故障检测器
- 微机复位
- 备用电池存储
- 非易失性 RAM 信号存储保护
HT7033A-1 引脚配置(俯视图)

HT7033A-1 Order Information

HT7033A-1 Function block or application schematic

HT7033A-1 Holtek Hot Models List
| HT75A0-3 | HT7327-7 | HT7344-1 | HT7818 |
| HT7318 | HT9200A | HT7340-1 | HT75C0-7 |
| HT7150-3 | HT7560-2 | HT7330-A | HT7527-3 |
| HT7125-2 | HT7330-7 | BS45F3345 | HT32F0008 |
| HT7718B | HT66F004 | HT7130-2 | HT7022A-1 |
| HT7730BA | HT66F0185 | HT7330-1 | HT16C23A |
| BS83B08A-3 | HT7536-3 | HT66FM5240 | HT1632D |
| HT7523-1 | HT7540-1 | HT68F003 | HT7610A |
| HT9B95B | HT7123-3 | HT66F006 | HT45F4MA |
| HT16K33A | HT7525-2 | HT7133-3 | HT7523-2 |
| HT16220 | HT7321-2 | HT7523-3 | HT7336-2 |
| HT66F017 | HT7327-1 | HT7523-1 | HT7325 |
| HT16C21A | HT7544-2 | HT7540-2 | HT7123-2 |
| HT7127-3 | HT7560-2 | HT66F0025 | HT7323-1 |
| HT7330-A | HT7750S | HT7150-1 | HT7718 |
| BS83B08C | BC7161 | BS83B16C | HT7527-3 |
| HT7560-3 | HT7540-7 | HT7218 | HT32F52341 |
| HT1621S | HT7039A-2 | HT7544-3 | HT7123-1 |
| HT66F0195 | HT16L21 | HT7536-1 | HT7570-3 |
| HT7521-3 | HT7733 | HT1015-1 | HT7039 |
| HT7540-3 | HT7722S | HT7722 | HT24LC02A |
| HT7144-2 | HT1625 | HT92632 | HT1622 |
| HT7121-3 | HT7530-3 | HT7530-7 | HT7612B |
| HT7530-2 | HT7536-7 | HT7850 | HT16L23-CHIP |
| HT7540-7 | HT7580-2 | HT7544-3 |
More models
|
为什么采购HT7033A-1 选择择天元鑫作为你的合泰代理商|Holtek代理商商的六大理由
1、Holtek合泰全系列HT7033A-1 采购服务:为您节约时间和精力,帮助您提高工作效率。
2、专业HT7033A-1 Holtek合泰FAE技术团队支持:凭借5年的服务经验,我们能为您提供从售前咨询,售中采购,售后一站式的专业的周到的贴心的服务。
3、极具竞争力的HT7033A-1 采购价格:我们认为合理的定价是与您建立长期合作的基础,以及公司持续发展的保障
4、数万种Holtek合泰全系列原装HT7033A-1 现货库存:我们持续创新,以满足您不断变化的需求,天元鑫的可持续发展,是您企业不断发展壮大的强大支持。
5、24小时Holtek合泰在线实时回复:确保为您提供HT7033A-1 高效率,高性价比,高质量的服务。
6、灵活多变的HT7033A-1 财务制度: 支持客户,协同发展,才能走得更远。
未来,天元鑫希望能跟客户开展Holtek合泰全系列HT7033A-1 更紧密的合作,同时竭尽所能地提供Holtek合泰全系列HT7033A-1 上面最前沿的电子元器件信息与产品,让客户在未来的市场竞争中领先一步、稳操胜卷。
HT7033A-1 | HT7033A-1供应商 | HT7033A-1现货商 | HT7033A-1代理商 | 合泰代理商 | Holtek代理商-Holtek合泰官网授权天元鑫为HT7033A-1合泰代理商 | Holtek代理商
如需立即采购HT7033A-1,请直接联系:
深圳市天元鑫半导体有限公司
手机号:+86 15013767173 Email:sztychip@163.com
联系人:吕小姐 Whats APP:15013767173 (cell phone wechat same number)
Q Q:3548883566 Skype:sztychip@163.com
此文关键字:HT7033A-1
同类文章排行
- HT7350-A_HT7350-A降压稳压芯片_HT7350-A中文资料
- HT75C0-1_HT75C0-1 三端稳压器_HT75C0-1中文资料
- HT7044A-1_HT7044A-1电压检测器_HT7044A-1中文资料
- HT7350-7_HT7350-7 三端稳压器_HT7350-7中文资料
- BS814A-2_BS814A-2双键电容触摸检测芯片
- HT1381A_HT1381A实时时钟芯片_HT1381A中文资料
- HT7533-7_HT7533-7 三端稳压器_HT7533-7中文资料
- HT7233_HT7233 三端稳压器_HT7233中文资料
- HT7050A-1_HT7050A-1 三端稳压器_HT7050A-1中文资料
- BS816A-1_BS816A-1双按键触摸检测芯片_BS816A-1中文资料




