HT7050A-1_HT7050A-1 三端稳压器_HT7050A-1中文资料
文章出处:
人气:发表时间:2023-10-17 11:28
HT7050A-1,HT7050A-1数据表,HT7050A-1数据页,HT7050A-1原理图,HT7050A-1引脚,HT7050A-1规格书,HT7050A-1系列型号。
HT7050A-1 | HT7050A-1供应商 | HT7050A-1现货商 | HT7050A-1代理商 | 合泰代理商 | Holtek代理商-Holtek合泰官网授权天元鑫为HT7050A-1合泰代理商 | Holtek代理商
HT7050A-1 描述
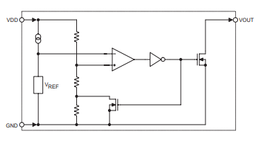
HT7050A-1 系列是采用 CMOS 技术的三端低功耗电压检测器。该系列电压检测器可检测 2.2 V 至 5.0 V 的固定电压。该电压检测器系列由一个高精度、低功耗标准电压源、一个比较器、一个磁滞电路和一个输出驱动器组成。采用 CMOS 技术制造,确保了低功耗。虽然这些集成电路主要用作固定电压检测器,但也可与外部元件配合使用,以检测指定的阈值电压。

合泰代理商|Holtek代理商 Holtek合泰半导体公司于2002年成立,属于盛群半导体材料(中国台湾),是Holtek合泰半导体公司的全资子公司,拥有自主研发和设计的精英团队,融硬件软件于一体,秉承艰苦奋斗精神,以高效率的方式为客人提供最佳的电力能源解决方案,立于客户角度,与行业市场对接,不断提升商品,提高商品的安全系数和顾客体验,努力为客人提供一种物美价廉的产品。
Holtek合泰半导体公司的市场营销战略始终是“单一模块(MCU)和单一模块(MCU)”这一发展趋势的关键,Holtek合泰产品类别包括通用型微处理器和专用微处理器(MCU),包括触摸屏、健康检测、工业自动化/仪表、电子计算机的外接、主要应用于家电、汽车、安全防护、以及各种电池管理、LCD/LED驱动/操纵、RF通讯综合ic和各种外部元件,如各种感应器,Holtek合泰公司根据自己开发的整体实力,操纵产品接受订制,可以按照客户要求实现定制化开发设计。时间周期可以给客户更有力的一套解决方案,给客户多方位的服务项目,为消费者创造更美好的明天!
HT7050A-1 Features
- Low power consumption
- Low temperature coefficient
- High input voltage range (up to 30V)
- Quiescent current: 3µA
- Output Voltage Accuracy: ±3% - Built-in Hysteresis Circuit - Package Type
- Built-in hysteresis circuit
- Package types: TO92, SOT89, SOT23 and SOT23-5
HT7050A-1 Applications
- Battery Detector
- Level selector
- Power Failure Detector
- Microcomputer reset
- Battery storage backup
- Non-volatile RAM Signal storage protection
HT7050A-1 Pin Configuration (Top View)

HT7050A-1 Order Information

HT7050A-1 Function block or application schematic

HT7050A-1 Holtek Hot Models List
|
HT75A0-3
|
HT7327-7
|
HT7344-1
|
HT7818
|
|
HT7318
|
HT9200A
|
HT7340-1
|
HT75C0-7
|
|
HT7150-3
|
HT7560-2
|
HT7330-A
|
HT7527-3
|
|
HT7125-2
|
HT7330-7
|
BS45F3345
|
HT32F0008
|
|
HT7718B
|
HT66F004
|
HT7130-2
|
HT7022A-1
|
|
HT7730BA
|
HT66F0185
|
HT7330-1
|
HT16C23A
|
|
BS83B08A-3
|
HT7536-3
|
HT66FM5240
|
HT1632D
|
|
HT7523-1
|
HT7540-1
|
HT68F003
|
HT7610A
|
|
HT9B95B
|
HT7123-3
|
HT66F006
|
HT45F4MA
|
|
HT16K33A
|
HT7525-2
|
HT7133-3
|
HT7523-2
|
|
HT16220
|
HT7321-2
|
HT7523-3
|
HT7336-2
|
|
HT66F017
|
HT7327-1
|
HT7523-1
|
HT7325
|
|
HT16C21A
|
HT7544-2
|
HT7540-2
|
HT7123-2
|
|
HT7127-3
|
HT7560-2
|
HT66F0025
|
HT7323-1
|
|
HT7330-A
|
HT7750S
|
HT7150-1
|
HT7718
|
|
BS83B08C
|
BC7161
|
BS83B16C
|
HT7527-3
|
|
HT7560-3
|
HT7540-7
|
HT7218
|
HT32F52341
|
|
HT1621S
|
HT7039A-2
|
HT7544-3
|
HT7123-1
|
|
HT66F0195
|
HT16L21
|
HT7536-1
|
HT7570-3
|
|
HT7521-3
|
HT7733
|
HT1015-1
|
HT7039
|
|
HT7540-3
|
HT7722S
|
HT7722
|
HT24LC02A
|
|
HT7144-2
|
HT1625
|
HT92632
|
HT1622
|
|
HT7121-3
|
HT7530-3
|
HT7530-7
|
HT7612B
|
|
HT7530-2
|
HT7536-7
|
HT7850
|
HT16L23-CHIP
|
|
HT7540-7
|
HT7580-2
|
HT7544-3
|
More models
|
为什么采购HT7050A-1 选择择天元鑫作为你的合泰代理商|Holtek代理商的六大理由
1、提供Holtek合泰公司HT7050A-1 一站式电子元器件网上商城服务;
NXP恩智浦、NXP、ADI亚德诺、Altera阿尔特拉、AtmelEtmel、ON安森美、Infineon、Samsung、Winbond、EonField、XlinX赛灵思、ON安森美、Infineon英飞凌、飞思卡尔等十几个原装品牌均为天元多代理销售。向三百万中小型电子产品制造商提供一站式电子产品供应、采购、技术及财务服务支援。
2、Holtek合泰原厂代理Holtek合泰 FAE支持,提供HT7050A-1 正规一手渠道;
天元鑫成为Holtek合泰代理商,原厂授权Holtek合泰代理直供货渠道,HT7050A-1 保证原厂全新原装正品,HT7050A-1 极具价格竞争力。
3、Holtek合泰品牌精耕细作,渠道海纳百川;
目前,天元鑫主要面向消费、工业、医疗控制类产品的电路板,优势现货供应HT7050A-1 。
4、数千种的Holtek合泰HT7050A-1 原装现货库存;
长期准备大量Holtek合泰HT7050A-1 现货,集中大批量采购模式保证了HT7050A-1 价格的优势,让您的小批量采购也可以获得大批量的价格。
5、24小时实时在线回复;
天元鑫秉承“竭尽所能,为客户创造终身价值”的宗旨。24小时服务客户理念,努力创造3PEAK思瑞浦资源平台共享,实现客户美好愿景。
6、金融体制灵活多变;
天元鑫始终坚持与客户融为一体的服务理念,在帮助客户降低HT7050A-1 物料成本的同时,还提供一定的财务支持。
未来,天元鑫希望能跟客户开展Holtek合泰全系列HT7050A-1 更紧密的合作,同时竭尽所能地提供Holtek合泰全系列HT7050A-1 上面最前沿的电子元器件信息与产品,让客户在未来的市场竞争中领先一步、稳操胜卷。
HT7050A-1 | HT7050A-1 供应商 | HT7050A-1 现货商 | HT7050A-1 代理商 | 合泰代理商 | Holtek代理商-Holtek合泰官网授权天元鑫为HT7050A-1 合泰代理商 | Holtek代理商
如需立即采购HT7050A-1 ,请直接联系:
深圳市天元鑫半导体有限公司
手机号:+86 15013767173 Email:sztychip@163.com
联系人:吕小姐 Whats APP:15013767173 (cell phone wechat same number)
Q Q:3548883566 Skype:sztychip@163.com
此文关键字:HT7050A-1,合奏代理商
同类文章排行
- HT7233_HT7233 三端稳压器_HT7233中文资料
- HT7050A-1_HT7050A-1 三端稳压器_HT7050A-1中文资料
- BS816A-1_BS816A-1双按键触摸检测芯片_BS816A-1中文资料
- HT7530-1_HT7530-1 三端稳压器_HT7530-1中文资料
- BS8116A-3_BS8116A-3触摸按键芯片_BS8116A-3中文资料
- HT7550-3_HT7550-3 三端稳压器_HT7550-3中文资料
- HT7350-2_HT7350-2降压稳压器_HT7350-2中文资料
- HT7333-2_HT7333-2三端稳压器_HT7333-2中文资料
- HT7660_HT7660开关电容电压转换器_HT7660中文资料
- HT7533-3_HT7533-3 三端稳压器_HT7533-3中文资料




