CV520中文资料_CV520数据参数_CV520规格书
文章出处:
人气:发表时间:2023-06-16 08:33
CV520是NXP公司推出的高度集成的非接触式NFC读写器,用于13.56MHz非接触式通信。CV520是NXP推出的低电压、低成本、小型非接触式读写卡芯片,CV520是智能仪器和便携式手持设备研发的更好选择。CV522采用先进的调制和解调理念,CV520完全集成了13.56MHz下各种类型的被动非接触式通信方式和协议。CV520支持1443A兼容应答器信号。数字部分处理ISO1443A帧和错误检测。CV520支持ISO/IEC14443A/13.56MHz的非接触式读写器芯片。B/MIFARE。CV520内部发送器驱动读写器天线和ISO/IEC1443A//ISO/IEC1443A//B/MIFARE卡和应答机通讯。CV520为解译ISO/IEC14443A/IEC1443A//提供强大而高效的电路。B/MIFARE兼容卡和响应信号。ISO/IEC1443A/B帧和错误检测功能(奇偶和CRC)的数字模块处理完成。
CV520支持MIFARE产品。CV520支持非接触式通信,与MIFARE系列的双向通信速度高达848kBd。CV520提供SPI主机接口(串行外围接口)。CV520还支持快速CRYPTO1加密算法,用语言验证MIFARE系列产品。CV520支持MIFARE系列更高速的非接触式通信,双向数据传输速率高达424kbit/s。CV520作为13.56MHz高集成读写卡系列芯片家族的新成员,与MFRC500和MFRC530有许多相似之处,但也有许多特点和差异。与主机之间的通信采用SPI模式,有利于减少连接,减少PCB板体积,降低成本。
天元鑫作为销售CV520在国内知名的NXP代理商|恩智浦代理商,同时也为内地300万中小电子制造商提供一站式IC采购网配单、采购、技术、金融服务支持。天元鑫成立于2008年深圳,十多年来一直扎根于一站式IC采购领域。感谢客户的支持和喜爱,天元鑫先后成为众多国际品牌的电子元器件代理商和授权代理商的长期合作伙伴。代理销售Maxim美信代理商、TI德州仪器代理商、ST意法代理商、NXP恩智浦代理商、ADI亚德诺代理商、Altera阿尔特拉代理商、Atmel爱特梅尔代理商、MPS芯源代理商、3PEAK思瑞浦、Samsung三星代理商、Winbond华邦代理商、Eon宜扬代理商、XiliniNX赛灵思代理商、On安森美代理商、Infineon英飞凌代理商、飞思卡尔fescale代理商等十几个原装品牌。

NXP公司恩智浦半导体(NXPSemiconductors)成立于2006年,天元鑫作为国内知名的 NXP代理商|恩智浦代理商 ( 吕艳 15013767173 手机微信同号 ) ,面向大陆三百万中小电子生产企业提供一站式电子元器件采购、技术及服务支持。之前由飞利浦50多年前成立的世界十大半导体公司。NXP公司的总部位于荷兰Eindhoven,其雇员人数为37000人,分布于世界20多个国家(欧洲37%,37%,大中华区21%,美洲5%),2007年的销售额为63亿美元。
NXP恩智浦半导体公司于2006年11月16日正式宣布,它将以“恩智浦半导体”作为中文品牌,在大中华地区开展相关的营销和运营活动。除了原来的英文品牌NXP外,恩智浦半导体也希望通过这一点来进一步与大中华地区客户的沟通,从而提升品牌知名度。NXP公司从2006年9月1日开始,成为世界上唯一一家独立的半导体制造商。这个名字包含了“新体验”(NextExperience)的含义,这一涵义就是英式品牌的精神,这也是恩智浦在过去53年里积累的宝贵经验。
NXP公司在NXP市场上拥有一个坚实的消费者研究基础,持续大量的研发投资,并由一位世界级工业合作伙伴支持,使最终产品能进一步提升消费者的感官体验——无论是色彩鲜明的图像,质地明快的音乐,消费者在家中可以随时随地,车与移动设备间共享信息。NXP公司提供半导体、系统解决方案和软件,为手机,个人媒体播放器,电视,机顶盒,识别应用程序,汽车和其它各种电子设备提供了更好的感官体验。NXP公司的产品技术和解决方案适用于五大市场领域:汽车电子、智能识别、家庭娱乐、手机和个人移动通讯、多个市场半导体等五大市场领域。
CV520电性参数
高度集成的CV520解调解码模拟电路
CV520可以通过使用少量外部设备将输出驱动级连接到天线上
CV520支持ISO/IEC1443A106kbps/212kbps/424kbps/848kbps传输速度的通信
根据天线设计,读写距离可达50mm,这取决于天线设计
CV520支持主机接口:
◆SPI接口10Mbit/s
CV520支持FIFO缓冲区64字节的发送和接收
灵活的中断模式
CV520支持低功耗硬件复位
软件断电模式
CV520支持可编程定时器
CV520连接27.12MHz晶体的内部振荡器
CV520正常工儿2.5V-3.3V电源电压
CRC协处理器
I/O管脚可以编程
内部自检
| CV520 NXP代理商|恩智浦代理商 NXP恩智浦热卖型号列表 | |||
| CV520 | PN512 | CLRC632 | MFRC531 |
| MFRC522 | PN5120A0HN1/C1 | CLRC63201T | MFRC53101T |
| MFRC52201HN1 | PN5120A0HN1/C2 | SLRC400 | MFRC53101T/0FE |
| MFRC52202HN1 | CLRC663 | SLRC40001T | PN5321A3HN |
| MFRC523 | CLRC66301HN | MFRC500 | PN5321A3HN/C106 |
| MFRC52301HN1 | CLRC66302HN | MFRC50001T | PN5120A0HN1 |
| MFRC52302HN1 | CLRC66303HN | MFRC50001T/0FE | 更多型号请联系在线客服 |
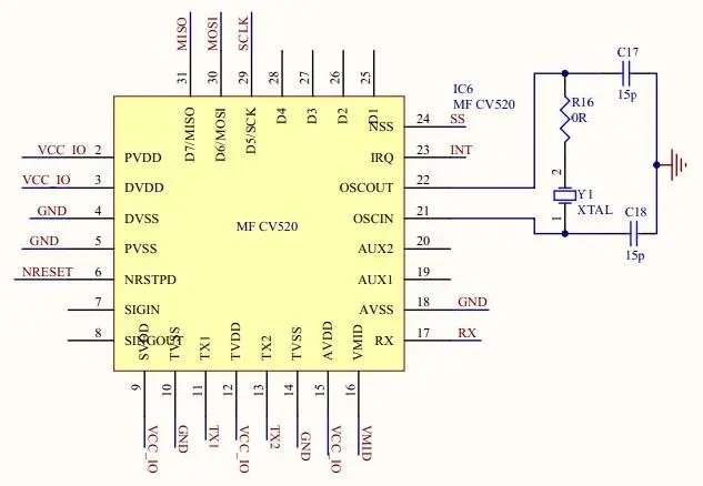
CV520原理图:

CV520应用范围:
考勤签到、门禁控制、公共交通、食堂就餐、水电气充值、便携式手持设备、各种会员系统等。
为什么采购CV520选择择天元鑫作为你的NXP恩智浦代理商的六大理由
1、NXP恩智浦全系列CV520采购服务:为您节约时间和精力,帮助您提高工作效率。
2、专业CV520 NXP恩智浦FAE技术团队支持:凭借5年的服务经验,我们能为您提供从售前咨询,售中采购,售后一站式的专业的周到的贴心的服务。
3、极具竞争力的CV520采购价格:我们认为合理的定价是与您建立长期合作的基础,以及公司持续发展的保障
4、数万种NXP恩智浦全系列原装现货库存:我们持续创新,以满足您不断变化的需求,天元鑫的可持续发展,是您企业不断发展壮大的强大支持。
5、24小时在线实时回复:确保为您提供高效率,高性价比,高质量的服务。
6、灵活多变的财务制度: 支持客户,协同发展,才能走得更远。
未来,天元鑫希望能跟客户开展NXP恩智浦全系列CV520上更紧密的合作,同时竭尽所能地提供NXP恩智浦全系列CV520上面最前沿的电子元器件信息与产品,让客户在未来的市场竞争中领先一步、稳操胜卷。
CV520 NFC芯片|NFC读写器|非接触式读写器|非接触读卡器芯片|非接触RFID读卡器芯片|非接触式通信芯片|非接触式射频读写芯片
如需采购CV520 NFC芯片|读写卡芯片,请直接联系:
深圳市天元鑫半导体有限公司
电 话:0755-23599317 传 真:0755-23599327
联系人:吕小姐 手 机:150-1376-7173 (手机微信同号)
Q Q:354 888 3566
此文关键字:CV520中文资料,CV520数据参数
同类文章排行
- MFRC52201HN1非接触式读写器_MFRC52201HN1全协议NFC读卡
- CV520中文资料_CV520数据参数_CV520规格书
- CV520非接触式读写器_CV520全协议NFC读卡器芯片
- CV520读卡器芯片_CV520非接触式NFC读卡器芯片
- MFRC522非接触式读写器_MFRC522全协议NFC读卡器芯片
- MFRC523非接触式读写器_MFRC523全协议NFC读卡器芯片
- PN512中文资料_PN512数据参数_PN512规格书
- PN512读卡器芯片_PN512非接触式NFC读卡器芯片
- MFRC523中文资料_MFRC523数据参数_MFRC523规格书
- MFRC523读卡器芯片_MFRC523非接触式NFC读卡器芯片




