MP3423GG-Z_MP3423GG-Z电源管理芯片_MP3423GG-Z升压转换器
文章出处:
人气:发表时间:2023-11-18 08:56
MP3423GG-Z是MPS芯源公司面向各类电子产品市场推出的一款高性能高压同步降压型开关稳压器控制器芯片。MP3423 是一款具有输出断开功能的高效同步电流模式升压转换器。MP3423 可从低至 1.9V 的输入电压启动,同时提供浪涌电流限制和输出短路保护。集成的 P 沟道同步整流器提高了效率,无需外部肖特基二极管。该 P 沟道可在关机时断开输出与输入的连接。600kHz 的开关频率允许使用小型外部元件,而内部补偿和软启动则最大限度地减少了外部元件数量。MP3423 为 5V 输出、3.1A 负载要求提供了紧凑的解决方案,使用的电源电压低至 2.8V。MP3423 采用 14 引脚 QFN 2mmx2mm 封装。
MPS芯源公司是一家全球知名的高性能模拟半导体公司,总部位于美国加州圣荷塞。公司创建于1997年,具有三大核心竞争优势。MPS芯源公司的系统与应用级方面的设计专家多为资深业界精英,他们具备高水平的技术电子知识、强大的系统级和芯片级设计能力及丰富的客户应用经验。这些人才帮助公司与客户密切合作,寻求开发新产品的机会,缩短产品上市时间,并有效地支持其产品的应用。此外,MPS拥有自主的知识产权库与专有的晶圆生产制造工艺,能增加产品竞争优势并提高市场占有率。MPS芯源公司设计团队均来自着名的模拟半导体公司和顶尖学术机构,每一位在设计领域均有卓越丰富的经验。他们多年来陆续推出许多符合市场要求的创新产品,使得公司年营收在2004到2009年间平均增长了28%。这些业界精英结合MPS专有的技术优势将引领MPS芯源公司在未来模拟半导体行业中脱颖而出。

MP3423GG-Z电性参数:
- 效率高达 98
- 1.9V 至 5.5V 输入范围
- 2.5V 至 5.5V 输出范围
- 内部同步整流器
- 600kHz 固定开关频率
- 9A 典型开关限流
- 43uA 静态电流
- 全负载范围内的高效率
- 内部软启动和补偿
- 真正的输出负载与输入断开
- OCP、SCP、OVP 和 OTP 保护
- 小型 2x2mm QFN14 封装
MP3423GG-Z 引脚配置(俯视图):
MP3423GG-Z 订购信息

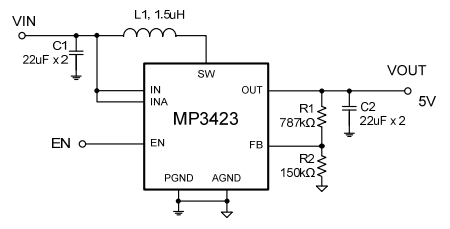
MP3423GG-Z 应用原理图

| MP3423GG-Z MPS代理商|芯源代理商 MPS芯源全系产品线 | |||
| 电源管理 | 隔离电源解决方案 | 电源模块 | 电池管理 |
| 开关变换器和控制器 | 隔离栅极驱动器 | 电源模块(内部集成电感) | 充电器 |
| 多相控制器 | 数字隔离器 | 隔离 DC/DC 电源模块 | 电池管理系统 |
| 电源管理芯片 (PMIC) | 集成电源器件的数字隔离器 | 48V 模块 | 电量计 |
| 48V 数据中心 | 隔离 DC/DC 电源模块 | Intelli模块 | 输入保护 |
| 电源保护 | 控制器 | CC&CV控制器 | |
| 电机驱动器 | 汽车(车规级) | D类音频 | AC-DC |
| 步进电机驱动器 | 开关变换器和控制器 | 模拟输入 | 高压Buck调节器和智能LDO |
| 直流无刷电机解决方案 | 负载开关和监控器 | PWM输入功率驱动器 | PFC&LLC 控制器 |
| 直流有刷电机/电磁阀驱动器 | 电机驱动器 | 功率放大器 | 同步整流器 |
| 风扇驱动器 | 电源模块 | D类功放 | LED 照明 |
| 伺服电机驱动模块&套件 | USB充电端口 | 节电器 | |
| MP3423GG-Z MPS代理商|芯源代理商 MPS芯源热卖型号列表 | |||
| MP1584EN-LF-Z | MP1584 | MP2451DT | MP2459GJ |
| MP2451DT-LF-Z | MP3302DJ-LF-Z | MPXV7002DP | MPX5999D |
| MPU-6000 | MP3414AGJ-Z | MPX5500DP | MPXV5004DP |
| MP1584EN | MPX5700DP | MPQ8633BGLE-Z | MP2143DJ |
| MP1470GJ-Z | MPXV5050GP | MPX5700AP | MP1495DJ |
| MP9942GJ-Z | MP2314GJ-Z | MP2315GJ-Z | MP24943DN-LF-Z |
| MP2459GJ-Z | MP9928GL-Z | MPX5100DP | MPXV5100DP |
| MP2359DJ-LF-Z | MP1470 | MP2359DJ | MPC8270CVVUPEA |
| MPQ8633AGLE-Z | MPX5700GP | MP9486AGN-Z | MP2565DN |
| MP4560DN-LF-Z | MP2303ADN-LF-Z | MPX5010DP | MP1497DJ-LF-Z |
| MPU-6500 | MP8759GD-Z | MP28164GD-Z | MPXV5010DP |
| MP2122GJ-Z | MPU9250 | MP1482DS | MP9447 |
| MP1605GTF-Z | MP2359 | MPC5200CVR400B | MP3429GL-Z |
| MP4560DN | MPU6500 | MP9943GQ-Z | MPU-6881 |
| MPU6050 | MP2456GJ-Z | MP3398AGF-Z | MP1658GTF-Z |
| MP24894GJ-Z | MP1484EN-LF-Z | MP1470GJ | MP1484EN |
| MP1482DS-LF-Z | MP2307DN | MP2122GJ | MPX4115AP |
| MPL3115A2R1 | MP34DT05TR-A | MPC5554MVR132 | MPM3620AGQV-Z |
| MP1471AGJ-Z | MP3302DJ | MP1495DJ-LF-Z | MP1653GTF-Z |
| MP9447GL-Z | MP2451DJ-LF-Z | MP2161GJ-Z | MP2161GJ |
| MPXHZ6400AC6T1 | MP2303ADN | MP1542DK-LF-Z | MP9942GJ |
| MP2143DJ-LF-Z | MP020-5GS-Z | MP2315GJ | MP1593DN |
| MP2145GD-Z | MP1541DJ | MP1541DJ-LF-Z | MP3120DJ-LF-Z |
| MP2307DN-LF-Z | MP1601GTF-Z | MPXM2202GS | MP4462DN-LF-Z |
| MPR121QR2 | MPXM2010GS | MP4460DQ-LF-Z | More models |
MP3423GG-Z应用范围:
- 电池供电产品
- 电源箱、果汁包、电池备份单元
- USB 电源
- 消费电子配件
- 平板电脑
为什么采购MP3423GG-Z选择天元鑫作为你的MPS代理商 | 芯源代理商的六大理由
1、MPS芯源全系列MP3423GG-Z采购服务:为您节约时间和精力,帮助您提高工作效率。
2、专业MP3423GG-Z MPS芯源FAE技术团队支持:凭借5年的服务经验,我们能为您提供从售前咨询,售中采购,售后一站式的专业的周到的贴心的服务。
3、极具竞争力的MP3423GG-Z采购价格:我们认为合理的定价是与您建立长期合作的基础,以及公司持续发展的保障
4、数千种MPS芯源全系列原装MP3423GG-Z现货库存:我们持续创新,以满足您不断变化的需求,天元鑫的可持续发展,是您企业不断发展壮大的强大支持。
5、24小时MPS芯源在线实时回复:确保为您提供MP3423GG-Z高效率,高性价比,高质量的服务。
6、灵活多变的MP3423GG-Z财务制度: 支持客户,协同发展,才能走得更远。
未来,天元鑫希望能跟客户开展MPS芯源全系列MP3423GG-Z更紧密的合作,同时竭尽所能地提供MPS芯源全系列MP3423GG-Z上面最前沿的电子元器件信息与产品,让客户在未来的市场竞争中领先一步、稳操胜卷。
MP3423GG-Z | MP3423GG-Z供应商 | MP3423GG-Z现货商 | MP3423GG-Z代理商 | MPS代理商 | 芯源代理商-MPS芯源官网授权天元鑫为MP3423GG-Z MPS代理商 | 芯源代理商
如需立即采购MP3423GG-Z,请直接联系:
深圳市天元鑫半导体有限公司
电 话:0755-23599317 传 真:0755-23599327
联系人:吕小姐 手 机:150-1376-7173 (手机微信同号)
Q Q:354 888 3566
此文关键字:MP3423GG-Z
同类文章排行
- MP2013AGG-33-Z电源管理芯片_MP2013AGG-33-Z开关转换器
- MPQ2029GN-AEC1-Z电源管理芯片_MPQ2029GN线性稳压器
- MPQ2019GN-AEC1-Z电源管理芯片_MPQ2019GN线性稳压器
- MPQ2013AGQ-AEC1-Z电源管理芯片_MPQ2013AGQ线性稳压器
- MPM3830GQV-Z电源管理芯片_MPM3830GQV-Z降压转换器
- MPQ20051DQ-AEC1-LF电源管理芯片_MPQ20051DQ线性稳压器
- MPM38222GR-Z电源管理芯片_MPM38222GR-Z开关转换器
- MPM3506AGQV-Z电源管理芯片_MPM3506AGQV-Z降压转换器
- MP9928GF-Z_MP9928GF-Z电源管理芯片_MP9928GF-Z开关稳压器
- MP8904DD-LF-Z电源管理芯片_MP8904DD-LF-Z线性稳压器




