TPA9151A-SO1R差动放大器_TPA9151A-SO1R运算放大器
文章出处:
人气:发表时间:2023-11-10 14:04
TPA9151A-SO1R是3PEAK思瑞浦公司面向模拟器件市场推出的高性能低电流4nA 36V低功耗双差分比较器芯片。TPA9151 是一款通用型单增益差分放大器,用于 -275 V 至 275 V 公共电压范围内的精密信号调节。片内电阻器经过微调,在工作温度范围内具有出色的增益精度和较高的 CMRR。
3PEAK思瑞浦微电子科技(苏州)有限公司,简称3PEAK,是中国唯一一家专注于高性能模拟信号链的集成电路设计公司。它的愿景是成为行业领先的高性能模拟信号链产品的供应商。经过9年的发展积累,积累了大量积极设计的IP,并在计算放大器、视频滤波器、音频驱动、数模转换、模数转换、接口芯片等领域继续实现大规模生产。2016年,平均每月出货量超过3000万件,累计销售产品7亿件,超过1000人。3PEAK在计算放大器领域形成了中国最完整的产品系列,涵盖了纳安、零漂移、高压精度、低噪音、高带宽等系列。零漂移系列获得了EDN最佳线性模拟产品奖。3PEAK作为一家专注于模拟信号链产品和积极研发的企业,获得了资本市场和众多优质客户的认可。公司产品被大量一线品牌客户采用,包括大江创新、海康威视、创维、哈曼、浙江大学中央控制等众多工业客户。3PEAK也是着名风险投资公司Waldenternational在中国投资的唯一一一家专注于模拟信号链的企业。我相信3PEAK未来会成为中国工业4积极贡献者和广大客户信赖的优质供应商。

TPA9151A-SO1R电性参数:
TPA9151A-SO1R电源电压:4.5 V 至 36 V(±2.25 V 至 ±18 V)
失调电压:最大 ±1 mV
增益误差: 最大 0.03
TPA9151A-SO1R带宽:500 kHz,回转速率: 10 V/μs
EMI 增强
TPA9151A-SO1R工作温度范围:-40°C 至 125°C
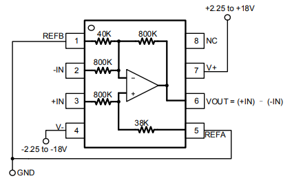
TPA9151A-SO1R 引脚配置(俯视图):

TPA9151A-SO1R 应用原理图

| TPA9151A-SO1R 3PEAK代理商|思瑞浦代理商 3PEAK思瑞浦全系产品线 | |||
| 线性产品 | 隔离产品 | 接口产品 | 数据转换器 |
| 运算放大器 | 数字隔离器 | 模拟开关 | 高精度转换器 |
| 特殊放大器 | 隔离放大器 | I2C | 高速转换器 |
| 比较器 | 隔离调制器 | RS232 | 特殊转换器 |
| 传感器接口 | RS485 | ||
| 线性稳压器与基准 | 监控电源 | 驱动器产品 | DC-DC |
| LDO | 电源时序控制 | 马达驱动 | 降压转换器 |
| 电压基准 | 电源监控与复位芯片 | 栅极驱动 | 升压转换器 |
| TPA9151A-SO1R 3PEAK代理商|思瑞浦代理商 3PEAK思瑞浦热卖型号列表 | |||
| TP8485E-SR | LM2904A-SR | LMV358TP-VR | TPA1882-SR |
| TP181A1-CR | TP2414-SR | TP5591-TR | TPL730F33-5TR |
| TP3232N-SR | LMV358B-VR | TP6004-SR | TP2262L1-SR-S |
| LMV331TP-TR | LM393A-SR | LMV321TP-CR | TP1562A-SR |
| TPT3232E-TS3R | TP10-4-TR | TP1511-TR | TP1541A-TR |
| LM321A-TR | TP1941-TR | LMV321B-CR | LM321-TR |
| TP2262-SR | LM331A-S5TR | TPT3232E-SO3R | TP09-SR |
| LMV358A-SR | LMV393TP-VR | TPV803S-3STR | TP2261-TR |
| TP2272-SR | TP5532-SR | TP2021-TR | LM2903A-SR |
| TPH2501-TR | TP5552-SR | TP10-2-SR | TP485E-SR |
| LMV321TP-TR | TPR3530-S3TR | TPL810F50-89TR | LM339A-SR |
| TPT75176HL1-SO1R | LM324A-SR | TPT7720-SO1R | TPH2502-SR |
| LM331AU-S5TR | TP2311-TR | TP1672-SR | TP2584-SR |
| LMV321B-TR | LMV324TP-SR | LM339A-TR | TP07-SR |
| TP2582-SR | TPL820F50-89TR | TP1562AL1-VR | TPL740F33-5TR |
| TP10-2-VR | TP2264-SR | TP5592-SR | TP8485E-VR |
| TPT487L1-SO1R | TPL720F33-5TR | TP2314-SR | TP1281L1-TR |
| LMV358B-SR | TPT485E-SO1R | TP5531U-CR | LM393-SR |
| TP75176E-SR | TP6001-TR | TPL720F33-3TR | TP2412-SR |
| TP2274-SR | TP6002-SR | TP5532-VR | TPC116S1-VR |
| LMV393TP-SR | LMV324B-TR | TP1252-SR | TP1961-TR |
| TP321-TR | TPF141-TR | LM358A-VR | LM324-SR |
| TPL820F33-89TR | TP5552-VR | TPT7721-SO1R | TP1561A-TR |
| TP2604-SR | LM358A-SR | TPL720F18-5TR | TP10-4-SR |
| TPT1042V-SO1R-S | TP6004-TR | TP358-SR | More Models |
TPA9151A-SO1R应用范围:
高公共电压电流检测
电池电压监控器
工业控制
为什么采购TPA9151A-SO1R选择择天元鑫作为你的3PEAK代理商 | 思瑞浦代理商的六大理由
1、3PEAK思瑞浦全系列TPA9151A-SO1R采购服务:为您节约时间和精力,帮助您提高工作效率。
2、专业TPA9151A-SO1R 3PEAK思瑞浦FAE技术团队支持:凭借5年的服务经验,我们能为您提供从售前咨询,售中采购,售后一站式的专业的周到的贴心的服务。
3、极具竞争力的TPA9151A-SO1R采购价格:我们认为合理的定价是与您建立长期合作的基础,以及公司持续发展的保障
4、数千种3PEAK思瑞浦全系列原装TPA9151A-SO1R现货库存:我们持续创新,以满足您不断变化的需求,天元鑫的可持续发展,是您企业不断发展壮大的强大支持。
5、24小时3PEAK思瑞浦在线实时回复:确保为您提供TPA9151A-SO1R高效率,高性价比,高质量的服务。
6、灵活多变的TPA9151A-SO1R财务制度: 支持客户,协同发展,才能走得更远。
未来,天元鑫希望能跟客户开展3PEAK思瑞浦全系列TPA9151A-SO1R+T更紧密的合作,同时竭尽所能地提供3PEAK思瑞浦全系列TPA9151A-SO1R上面最前沿的电子元器件信息与产品,让客户在未来的市场竞争中领先一步、稳操胜卷。
TPA9151A-SO1R | TPA9151A-SO1R供应商 | TPA9151A-SO1R现货商 | TPA9151A-SO1R代理商 | 3PEAK代理商 | 思瑞浦代理商-3PEAK思瑞浦官网授权天元鑫为TPA9151A-SO1R 3PEAK代理商 | 思瑞浦代理商
如需立即采购TPA9151A-SO1R,请直接联系:
深圳市天元鑫半导体有限公司
电 话:0755-23599317 传 真:0755-23599327
联系人:吕小姐 手 机:150-1376-7173 (手机微信同号)
Q Q:354 888 3566
此文关键字:TPA9151A-SO1R
同类文章排行
- LM358A-TSR双运算放大器_LM358A-TSR低功耗运算放大器
- TPV810_TPV810运算放大器_TPV810高速运算放大器
- TPV809_TPV809运算放大器_TPV809高速运算放大器
- TPT75176HL1-SO1R-S接口芯片_TPT75176HL1-SO1R-S收发器
- TPV803_TPV803电源监控芯片_TPV803复位芯片
- TP5591-SR运算放大器_TP5591-SR高速运算放大器
- TP5591U-CR运算放大器_TP5591U-CR高速运算放大器
- TPL8151Q线性稳压器_TPL8151Q低压差线性调节器
- TPL8151线性稳压器_TPL8151低压差线性调节器
- TP2582-TSR微功耗运算放大器_TP2582-TSR运算放大器




